柱⾯镜
2024-05-14
林树鑫

柱面镜是一种非球面透镜,相比球面镜,在横轴上有弧度,而纵轴则没有弧度。它可以有效减小球差和色差,并具有一维放大功能。柱面镜主要分为平凸柱面透镜、平凹柱面透镜、双凸柱面透镜、双凹柱面透镜、弯月柱面镜、柱交柱面镜和异形类柱面透镜。
产品介绍
柱⾯镜是⼀维放⼤应⽤的理想选择。球透镜对⼊射光在 两个⽅向上的作⽤是对称的⽽柱⾯镜对⼊射光只有⼀个 ⽅向上的作⽤。典型的应⽤是⽤⼀对柱透镜实现变形光 束的整形。⼀对正柱⾯镜可以⽤于准直和圆形化激光⼆ 极管的输出。另⼀个可能的应⽤是⽤单个柱透镜将发散 的光束聚焦到探测器阵列上。为了最⼩化球差,当把光束 聚焦成⼀条线时应将准直光源从透镜的曲⾯⼊射,⽽要 把线光源准直时应让线光源从透镜的平⾯⼊射。
产品参数
材料 | K9、B270、JGS2 |
焦距(f’) | ±2%@10.6 μnm |
尺⼨公差 | +0/-0.2m |
中⼼厚度公差 | ±0.1mm |
中⼼偏 | 3′ |
光圈 | 3 |
局部光圈 | 0.5 |
表⾯光洁度 | 60-40 |
通光孔径 | >90% |
镀膜 | 400-700nm AR膜 |
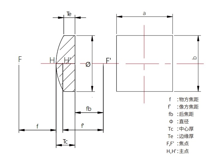
结构图

常规型号
尺⼨(mm) | 像⽅焦距(mm) | 后焦距(mm) | 中⼼厚度(mm) | 边缘厚度(mm) | 曲率半径(mm) |
12.5*25.0 | 12.5 | 10.37 | 3.8 | 1.55 | 9.81 |
12.5*25.0 | 15.0 | 13.21 | 3.2 | 1.40 | 11.77 |
12.5*25.0 | 20.0 | 17.63 | 3.6 | 1.50 | 10.34 |
12.5*25.0 | 25.0 | 23.02 | 3.0 | 1.39 | 12.92 |
12.5*25.0 | 50.0 | 48.68 | 2.0 | 1.23 | 25.84 |
12.5*25.0 | 75.0 | 73.68 | 2.0 | 1.49 | 38.76 |
12.5*25.0 | 100.0 | 98.66 | 2.0 | 1.62 | 51.68 |
12.5*25.0 | 150.0 | 148.68 | 2.0 | 1.75 | 77.52 |
标签:
柱⾯镜