双凹透镜
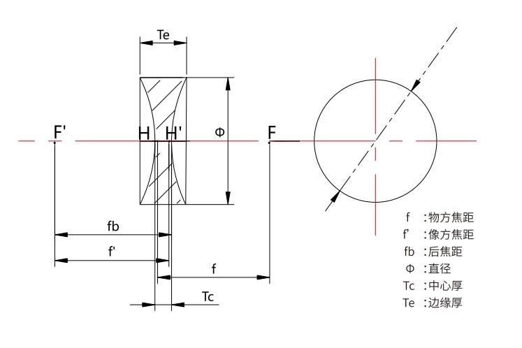
双凹透镜与平凹透镜类似,可以分为没镀膜和镀了可见光带域的防反射多层膜透镜。具有负的焦距,被用于发散一束平行光。可是平行入射的光线向外发散,双凹透镜的两个侧面曲率半径相等,一般用于扩束光线,和投影等系统中增加焦距。零件名称双凸透镜材料K9、光学玻璃、紫外石英、氟化钙等焦距 (f)士2%@587.6nm尺寸公差(-0.05~0.1 mm)中心厚度公差士0.03~0.1mm中心偏30"~3&#
- 型 号: 定制
- 规 格: 定制
- 材 料: 光学玻璃
关闭
产品咨询
客服热线:0755-89936779
