微型投影RGB聚焦透镜组
微型投影RGB聚焦透镜组是一种复杂的光学系统,专门为微型投影设备设计,用于将红(R)、绿(G)、蓝(B)三色光精确聚焦,确保投影图像的清晰度、色彩准确性和高分辨率。它一般由多片不同类型透镜(双凸、平凸、双凹、平凹、非球面等)组合而成的复杂光学系统,专门为微型投影设备设计。它通过精密的光学设计和制造工艺,实现高质量的图像投影,广泛应用于微型投影仪、AR/VR设备、车载HUD等领域。1. 功能- 三色
- 型 号: 定制
- 规 格: 定制
- 材 料: 光学玻璃
微型投影RGB聚焦透镜组是一种复杂的光学系统,专门为微型投影设备设计,用于将红(R)、绿(G)、蓝(B)三色光精确聚焦,确保投影图像的清晰度、色彩准确性和高分辨率。它一般由多片不同类型透镜(双凸、平凸、双凹、平凹、非球面等)组合而成的复杂光学系统,专门为微型投影设备设计。它通过精密的光学设计和制造工艺,实现高质量的图像投影,广泛应用于微型投影仪、AR/VR设备、车载HUD等领域。1. 功能- 三色
微型投影RGB聚焦透镜组是一种复杂的光学系统,专门为微型投影设备设计,用于将红(R)、绿(G)、蓝(B)三色光精确聚焦,确保投影图像的清晰度、色彩准确性和高分辨率。它一般由多片不同类型透镜(双凸、平凸、双凹、平凹、非球面等)组合而成的复杂光学系统,专门为微型投影设备设计。它通过精密的光学设计和制造工艺,实现高质量的图像投影,广泛应用于微型投影仪、AR/VR设备、车载HUD等领域。
1. 功能
- 三色光聚焦:将RGB三色光汇聚到同一平面,避免色差,确保色彩叠加准确。
- 像差校正:通过多片透镜的组合设计,校正球差、像散、畸变等光学像差。
- 高分辨率成像:优化光学性能,实现高清晰度的投影图像。
- 小型化设计:适应微型投影仪、AR/VR设备等对体积和重量要求严格的应用场景。
2. 结构组成
微型投影RGB聚焦透镜组通常由多片不同类型透镜组合而成,常见的透镜类型包括:
双凸透镜:用于聚焦光线,增强光学系统的聚焦能力。
平凸透镜:用于减少球差,优化成像质量。
双凹透镜:用于发散光线,校正色差和像差。
平凹透镜:用于校正像差,平衡光学系统的性能。
非球面透镜:用于进一步减少像差(如球差、像散),提高成像质量。
衍射光学元件(DOE):用于色差校正和光束整形。
这些透镜通过精密的排列和组合,形成一个完整的光学系统。
3. 工作原理
1. 光线入射:RGB三色光从光源(如LED或激光)发出,进入透镜组。
2. 初步聚焦:通过双凸或平凸透镜对光线进行初步聚焦。
3. 色差校正:通过双凹或平凹透镜校正不同波长光的色差,确保RGB三色光聚焦在同一平面。
4. 像差优化:通过非球面透镜进一步优化像差,提高成像清晰度。
5. 最终聚焦:光线经过多片透镜的调整后,最终聚焦在投影面上,形成清晰、色彩准确的图像。
4. 技术特点
- 高精度设计:透镜的表面形状、曲率和间距需要经过精密计算和优化。
- 镀膜技术:透镜表面通常镀有增透膜,以减少光损失并提高光效率。
- 紧凑结构:透镜组设计小巧,适应微型投影设备的体积限制。
- 热稳定性:材料选择需考虑热稳定性,以应对高功率光源的热效应。
5. 往期案例参数

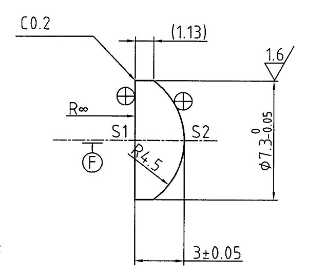
| 零件名称 | 平凸透镜 |
| 材料 | H-ZLAF50E |
| 中心厚度 | 3 |
| 直径 | 7.3 |
| 偏心差 | 2 |
| 面型 | N=3,△N=1 |
| 后焦距 | 5.5 |
| 曲率半径 | 4.5 |
| * 备注:可以根据客户需求定制 | |

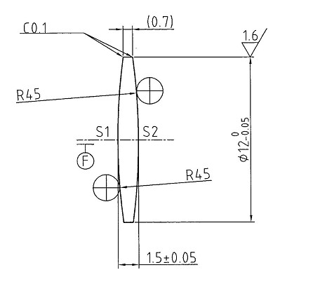
| 零件名称 | 双凸透镜 |
| 材料 | H-K9L |
| 中心厚度 | 1.5 |
| 直径 | 12 |
| 偏心差 | 2 |
| 面型 | N=3,△N=1 |
| 后焦距 | 43 |
| 曲率半径 | 45 |
| * 备注:可以根据客户需求定制 | |

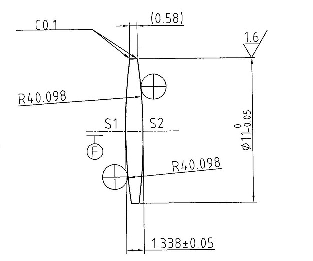
| 零件名称 | 双凸透镜 |
| 材料 | H-ZF50 |
| 中心厚度 | 1.33 |
| 直径 | 11 |
| 偏心差c | 2 |
| 面型 | N=3,△N=1 |
| 有效焦距 | 26.8 |
| 曲率半径 | 40 |
| * 备注:可以根据客户需求定制 | |
6. 应用场景
- 微型投影仪:用于便携式投影设备,如手持投影仪、嵌入式投影模块等。
- AR/VR设备:在增强现实(AR)和虚拟现实(VR)设备中,用于将图像投射到近眼显示屏或光学系统中。
- 车载HUD(抬头显示):用于将驾驶信息投射到挡风玻璃上。
- 智能穿戴设备:如智能眼镜中的微型投影系统。
7. 技术挑战
1. 色差校正:由于RGB三色光的波长不同,透镜组需要有效校正色差,确保色彩准确叠加。
2. 小型化与高性能的平衡:在有限的空间内实现高分辨率、低畸变的光学设计。
3. 热管理:微型投影设备通常功率较高,透镜材料需要具备良好的热稳定性。