平凸透镜
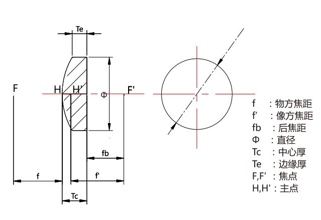
产品介绍:平凸透镜可以将准直光束会聚在后焦点上,也可以讲点光源变成准直光束。EMC易倍生产额平凸透镜通常是用K9玻璃制成,它们的增透镀膜是针对400~700纳米的波长范围。也有采紫外石英为基材加工,当采用紫外石英为基材时,在紫外区域有很好的透过率和较低的热膨胀系数,可镀紫外AR膜配合特殊情况下使用。
- 型 号: 定制
- 规 格: 定制
- 材 料: 光学玻璃
关闭
产品咨询
客服热线:0755-89936779
